2020년 토목기사 3회차 1번 - 기출문제 및 해설
문제 1
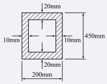
아래 그림과 같이 속이 빈 단면에 전단력
V
V
V
=150kN이 작용하고 있다. 단면에 발생하는 최대 전단응력은?
1.
9.9MPa
2.
19.8MPa
3.
99MPa
4.
198MPa
💡 로그인하면 학습 진행률이 자동으로 저장되고, 북마크와 오답노트를 사용할 수 있습니다.
이전
다음