2016년 토목기사 2회차 84번 - 기출문제 및 해설
문제 1
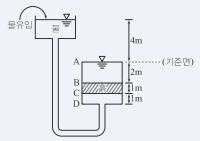
다음 그림에서 C점의 압력수두 및 전수두 값은 얼마인가?
1.
압력수두 3m, 전수두 2m
2.
압력수두 7m, 전수두 0m
3.
압력수두 3m, 전수두 3m
4.
압력수두 7m, 전수두 4m
💡 로그인하면 학습 진행률이 자동으로 저장되고, 북마크와 오답노트를 사용할 수 있습니다.
이전
다음