2016년 토목기사 2회차 79번 - 기출문제 및 해설
문제 1
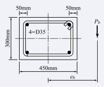
그림과 같은 띠철근 단주의 균형상태에서 축방향 공칭 하중(
P
b
P_b
P
b
)은 얼마인가? (단,
f
c
k
=
27
M
P
a
,
f
y
=
400
M
P
a
,
A
s
t
=
4
−
D
35
=
3
,
800
m
m
2
f_{ck}=27MPa, f_y=400MPa, A_{st}=4-D35=3,800mm^2
f
c
k
=
27
MP
a
,
f
y
=
400
MP
a
,
A
s
t
=
4
−
D
35
=
3
,
800
m
m
2
)
1.
1328.2KN
2.
1520.0kN
3.
3645.2kN
4.
5165.3kN
💡 로그인하면 학습 진행률이 자동으로 저장되고, 북마크와 오답노트를 사용할 수 있습니다.
이전
다음