2020년 토목기사 1, 2회차 77번 - 기출문제 및 해설
문제 1
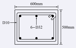
그림과 같은 띠철근 기둥에서 띠철근의 최대 수직간격으로 적당한 것은? (단, D10의 공칭직경은 9.5mm, D32의 공칭직경은 31.8mm이다.)
1.
456mm
2.
472mm
3.
500mm
4.
509mm
💡 로그인하면 학습 진행률이 자동으로 저장되고, 북마크와 오답노트를 사용할 수 있습니다.
이전
다음