2019년 토목기사 3회차 92번 - 기출문제 및 해설
문제 1
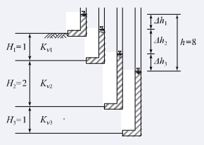
Δ
h
1
=
5
\Delta h_1=5
Δ
h
1
=
5
이고,
k
v
2
=
10
k
v
1
k_{v2}=10k_{v1}
k
v
2
=
10
k
v
1
일 때,
k
v
3
k_{v3}
k
v
3
의 크기는?
1.
1.0
k
v
1
1.0k_{v1}
1.0
k
v
1
2.
1.5
k
v
1
1.5k_{v1}
1.5
k
v
1
3.
2.0
k
v
1
2.0k_{v1}
2.0
k
v
1
4.
2.5
k
v
1
2.5k_{v1}
2.5
k
v
1
💡 로그인하면 학습 진행률이 자동으로 저장되고, 북마크와 오답노트를 사용할 수 있습니다.
이전
다음