2019년 토목기사 3회차 8번 - 기출문제 및 해설
문제 1
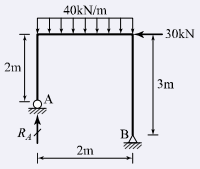
그림과 같은 라멘에서 A점의 수직반력(
R
A
R_A
R
A
)은?
1.
65kN
2.
75kN
3.
85kN
4.
95kN
💡 로그인하면 학습 진행률이 자동으로 저장되고, 북마크와 오답노트를 사용할 수 있습니다.
이전
다음