문제 1
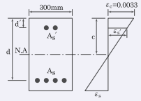
그림은 복철근 직사각형 단면의 변형률이다. 다음 중 압축철근이 항복하기 위한 조건으로 옳은 것은?
1.
\frac{0.0033(c-d')}{c}\geq \frac{f_y}{Es}
2.
\frac{600(c-d')}{c}\leq f_y
3.
\frac{600d'}{600-f_y}> c
4.
\frac{600d'}{600+f_y}
💡 로그인하면 학습 진행률이 자동으로 저장되고, 북마크와 오답노트를 사용할 수 있습니다.
이전
다음