2015년 토목기사 4회차 45번 - 기출문제 및 해설
문제 1
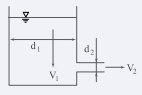
그림과 같이
d
1
=
1
m
d_1=1m
d
1
=
1
m
인 원통형 수조의 측벽에 내경
d
2
=
10
c
m
d_2=10cm
d
2
=
10
c
m
의 관으로 송수할 때의 평균 유속
(
V
2
)
(V_2)
(
V
2
)
이 2m/s 이었다면 이때의 유량
Q
Q
Q
와 수조의 수면이 강하하는 유속
V
1
V_1
V
1
은?
1.
Q
=
1.57
L
/
s
,
V
1
=
2
c
m
/
s
Q=1.57L/s, V_1=2cm/s
Q
=
1.57
L
/
s
,
V
1
=
2
c
m
/
s
2.
Q
=
1.57
L
/
s
,
V
1
=
3
c
m
/
s
Q=1.57L/s, V_1=3cm/s
Q
=
1.57
L
/
s
,
V
1
=
3
c
m
/
s
3.
Q
=
15.7
L
/
s
,
V
1
=
2
c
m
/
s
Q=15.7L/s, V_1=2cm/s
Q
=
15.7
L
/
s
,
V
1
=
2
c
m
/
s
4.
Q
=
15.7
L
/
s
,
V
1
=
3
c
m
/
s
Q=15.7L/s, V_1=3cm/s
Q
=
15.7
L
/
s
,
V
1
=
3
c
m
/
s
💡 로그인하면 학습 진행률이 자동으로 저장되고, 북마크와 오답노트를 사용할 수 있습니다.
이전
다음