2023년 토목기사 3회차 71번 - 기출문제 및 해설
문제 1
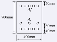
그림과 같은 보의 유효깊이는 얼마인가? (단, 사용철근의 지름은 동일함)
1.
580mm
2.
630mm
3.
660mm
4.
680mm
💡 로그인하면 학습 진행률이 자동으로 저장되고, 북마크와 오답노트를 사용할 수 있습니다.
이전
다음