2023년 토목기사 3회차 19번 - 기출문제 및 해설
문제 1
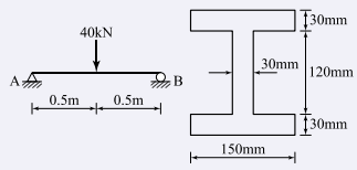
그림과 같은 단순보의 단면에 발생하는 최대 전단응력의 크기는?
1.
2.73MPa
2.
3.52MPa
3.
4.69MPa
4.
5.42MPa
💡 로그인하면 학습 진행률이 자동으로 저장되고, 북마크와 오답노트를 사용할 수 있습니다.
이전
다음