2019년 토목기사 2회차 74번 - 기출문제 및 해설
문제 1
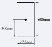
그림과 같은 단면의 중간 높이에 초기 프리스트레스 900kN을 작용시켰다. 20%의 손실을 가정하여 하단 또는 상단의 응력이 영(零)이 되도록 이 단면에 가할 수 있는 모멘트의 크기는?
1.
90kN · m
2.
84kN · m
3.
72kN · m
4.
65kN · m
💡 로그인하면 학습 진행률이 자동으로 저장되고, 북마크와 오답노트를 사용할 수 있습니다.
이전
다음