2019년 토목기사 2회차 4번 - 기출문제 및 해설

문제 1

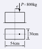
그림과 같은 단주에서 800kg의 연직하중(P)이 편심거리 e에 작용할 때 단면에 인장력이 생기지 않기 위한 e의 한계는?