2021년 에너지관리기사 1회차 53번 - 기출문제 및 해설

문제 1

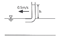
직각으로 굽힌 유리관의 한쪽을 수면 바로 밑에 넣고 다른 쪽은 연직으로 세워 수평 방향으로 0.5 m/s0.5\ \rm m/s의 속도로 움직이면 물은 관 속에서 약 몇 m\rm m 상승하는가?