2022년 에너지관리기사 1회차 100번 - 기출문제 및 해설
문제 1
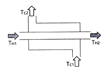
대향류 열교환기에서 고온 유체의 온도는
T
H
1
\rm T_{H1}
T
H1
에서
T
H
2
\rm T_{H2}
T
H2
로, 저온 유체의 온도는
T
C
1
\rm T_{C1}
T
C1
에서
T
C
2
\rm T_{C2}
T
C2
로 열교환에 의해 변화된다. 열교환기의 대수평균온도차(LMTD)를 옳게 나타낸 것은?
1.
T
H
1
−
T
H
2
+
T
C
2
−
T
C
1
ln
(
T
H
1
−
T
C
1
T
H
2
−
T
C
2
)
\rm
\dfrac{T_{H1}
-T_{H2}+T_{C2}-T_{C1}}{\ln\left(
\dfrac{T_{H1}
-T_{C1}}{T_{H2}-T_{C2}}\right)}
ln
(
T
H2
−
T
C2
T
H1
−
T
C1
)
T
H1
−
T
H2
+
T
C2
−
T
C1
2.
T
H
1
+
T
H
2
−
T
C
1
−
T
C
2
ln
(
T
H
1
−
T
H
2
T
C
2
−
T
C
1
)
\rm
\dfrac{T_{H1}
+T_{H2}-T_{C1}-T_{C2}}{\ln\left(
\dfrac{T_{H1}
-T_{H2}}{T_{C2}-T_{C1}}\right)}
ln
(
T
C2
−
T
C1
T
H1
−
T
H2
)
T
H1
+
T
H2
−
T
C1
−
T
C2
3.
T
H
2
−
T
H
1
+
T
C
2
−
T
C
1
ln
(
T
H
1
−
T
C
2
T
H
2
−
T
C
1
)
\rm
\dfrac{T_{H2}
-T_{H1}+T_{C2}-T_{C1}}{\ln\left(
\dfrac{T_{H1}
-T_{C2}}{T_{H2}-T_{C1}}\right)}
ln
(
T
H2
−
T
C1
T
H1
−
T
C2
)
T
H2
−
T
H1
+
T
C2
−
T
C1
4.
T
H
1
−
T
H
2
+
T
C
1
−
T
C
2
ln
(
T
H
1
−
T
C
2
T
H
2
−
T
C
1
)
\rm
\dfrac{T_{H1}
-T_{H2}+T_{C1}-T_{C2}}{\ln\left(
\dfrac{T_{H1}
-T_{C2}}{T_{H2}-T_{C1}}\right)}
ln
(
T
H2
−
T
C1
T
H1
−
T
C2
)
T
H1
−
T
H2
+
T
C1
−
T
C2
💡 로그인하면 학습 진행률이 자동으로 저장되고, 북마크와 오답노트를 사용할 수 있습니다.
이전
다음