2015년 토목기사 2회차 66번 - 기출문제 및 해설
문제 1
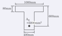
아래 그림과 같은 단철근 T형보에서 등가압축응력의 깊이(a)는? (단,
f
c
k
=
21
M
P
a
,
f
y
=
300
M
P
a
f_{ck}=21MPa, f_y=300MPa
f
c
k
=
21
MP
a
,
f
y
=
300
MP
a
)
1.
75mm
2.
80mm
3.
90mm
4.
103mm
💡 로그인하면 학습 진행률이 자동으로 저장되고, 북마크와 오답노트를 사용할 수 있습니다.
이전
다음