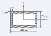
문제 1
그림과 같이
x,y
축에 대칭인 단면에 비틀림우력
5tf\cdot m
가 작용할 때 최대전단응력은?
1.
356.1kgf/cm^2
2.
435.5kgf/cm^2
3.
524.3kgf/cm^2
4.
602.7kgf/cm^2
💡 로그인하면 학습 진행률이 자동으로 저장되고, 북마크와 오답노트를 사용할 수 있습니다.
이전
다음