2015년 토목기사 2회차 9번 - 기출문제 및 해설
문제 1
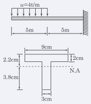
주어진
T
T
T
형 단면의 캔틸레버 보에서 최대 전단응력은? (단,
T
T
T
형보 단면의
I
N
⋅
A
=
86.8
c
m
4
I_{N · A}=86.8cm^4
I
N
⋅
A
=
86.8
c
m
4
)
1.
1,256.8kgf/cm²
2.
1,663.6kgf/cm²
3.
2,079.5kgf/cm²
4.
2,433.2kgf/cm²
💡 로그인하면 학습 진행률이 자동으로 저장되고, 북마크와 오답노트를 사용할 수 있습니다.
이전
다음