2023년 토목기사 2회차 66번 - 기출문제 및 해설
문제 1
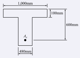
그림과 같은 T형보의 응력사각형 깊이 a는 얼마인가? (단,
b
e
=
1
,
000
m
m
,
b
w
=
480
m
m
,
t
f
=
100
m
m
,
d
=
600
m
m
,
A
s
=
14
−
D
25
=
7
,
094
m
m
2
,
f
c
k
=
21
M
P
a
,
f
y
=
300
M
P
a
b_e=1,000mm, b_w=480mm, t_f=100mm, d=600mm, A_s=14-D25=7,094mm^2, f_{ck}=21MPa, f_y=300MPa
b
e
=
1
,
000
mm
,
b
w
=
480
mm
,
t
f
=
100
mm
,
d
=
600
mm
,
A
s
=
14
−
D
25
=
7
,
094
m
m
2
,
f
c
k
=
21
MP
a
,
f
y
=
300
MP
a
)
1.
120mm
2.
130mm
3.
140mm
4.
150mm
💡 로그인하면 학습 진행률이 자동으로 저장되고, 북마크와 오답노트를 사용할 수 있습니다.
이전
다음