2023년 토목기사 2회차 48번 - 기출문제 및 해설
문제 1
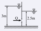
그림과 같은 수중 오리피스에서 단면적이 50cm²일 때 유출량은? (단, 유량계수 C=0.62임.)
1.
9.7
×
10
−
3
m
3
/
s
9.7×10^{-3}m^3/s
9.7
×
1
0
−
3
m
3
/
s
2.
9.7
×
10
−
4
m
3
/
s
9.7×10^{-4}m^3/s
9.7
×
1
0
−
4
m
3
/
s
3.
9.7
×
10
−
5
m
3
/
s
9.7×10^{-5}m^3/s
9.7
×
1
0
−
5
m
3
/
s
4.
9.7
×
10
−
6
m
3
/
s
9.7×10^{-6}m^3/s
9.7
×
1
0
−
6
m
3
/
s
💡 로그인하면 학습 진행률이 자동으로 저장되고, 북마크와 오답노트를 사용할 수 있습니다.
이전
다음