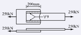
문제 1
그림과 같은 필렛 용접에서 일어나는 응력으로 옳은 것은?
1.
97.3MPa
2.
109.02MPa
3.
99.2MPa
4.
100.0MPa
💡 로그인하면 학습 진행률이 자동으로 저장되고, 북마크와 오답노트를 사용할 수 있습니다.
이전
다음