2023년 토목기사 1회차 69번 - 기출문제 및 해설
문제 1
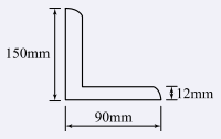
인장응력 검토를 위한 L-150×90×12인 형강(angle)의 전개한 총 폭(
b
g
b_g
b
g
)은?
1.
228mm
2.
232mm
3.
240mm
4.
252mm
💡 로그인하면 학습 진행률이 자동으로 저장되고, 북마크와 오답노트를 사용할 수 있습니다.
이전
다음