2023년 토목기사 1회차 56번 - 기출문제 및 해설
문제 1
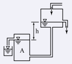
정수두 투수계에 의한 투수계수 측정에서 유량 4cm³/sec, 시료실의 단면적 A가 200cm², 수두차 h가 200cm, 시료실의 길이가 10cm일 때 투수계수는?
1.
0.001cm/sec
2.
0.01cm/sec
3.
0.1cm/sec
4.
1.0cm/sec
💡 로그인하면 학습 진행률이 자동으로 저장되고, 북마크와 오답노트를 사용할 수 있습니다.
이전
다음