2023년 토목기사 1회차 10번 - 기출문제 및 해설
문제 1
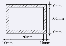
그림과 같이 가운데가 비어 있는 직사각형 단면 기둥의 길이 L=10m일 때 세장비는?
1.
1.9
2.
191.9
3.
2.2
4.
217.3
💡 로그인하면 학습 진행률이 자동으로 저장되고, 북마크와 오답노트를 사용할 수 있습니다.
이전
다음