2018년 토목기사 3회차 73번 - 기출문제 및 해설
문제 1
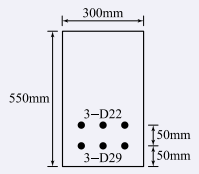
그림과 같은 직사각형 단면의 보에서 인장철근은 D22철근 3개가 윗부분에, D29철근 3개가 아랫부분에 2열로 배치되었다. 이 보의 공칭 휨강도(
M
n
M_n
M
n
)는? (단, 철근 D22 3본의 단면적은 1161mm², 철근 D29 3본의 단면적은 1927mm²,
f
c
k
=
24
M
P
a
,
f
y
=
350
M
P
a
f_{ck}=24MPa, f_y=350MPa
f
c
k
=
24
MP
a
,
f
y
=
350
MP
a
)
1.
396.2kN·m
2.
424.6kN·m
3.
467.3kN·m
4.
512.4kN·m
💡 로그인하면 학습 진행률이 자동으로 저장되고, 북마크와 오답노트를 사용할 수 있습니다.
이전
다음