2015년 전기산업기사 3회차 68번 - 기출문제 및 해설
문제 1
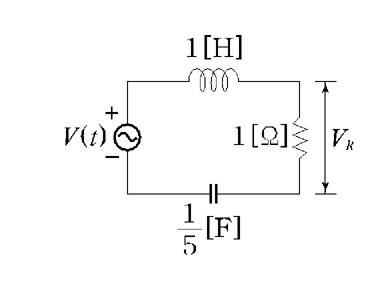
그림과 같은 회로의 전압비 전달함수
H
(
j
ω
)
H(j \omega)
H
(
jω
)
는? (단, 입력
V
(
t
)
V(t)
V
(
t
)
는 정현파 교류전압이며
V
R
V_R
V
R
은 출력이다.)
1.
j
ω
(
5
−
ω
2
)
+
j
ω
\frac{j \omega}
{\left(5-\omega^2\right)+j \omega}
(
5
−
ω
2
)
+
jω
jω
2.
j
ω
(
5
+
ω
2
)
+
j
ω
\frac{j \omega}
{\left(5+\omega^2\right)+j \omega}
(
5
+
ω
2
)
+
jω
jω
3.
j
ω
(
5
−
ω
)
2
+
j
ω
\frac{j \omega}
{(5-\omega)^2+j \omega}
(
5
−
ω
)
2
+
jω
jω
4.
j
ω
(
5
+
ω
)
2
+
j
ω
\frac{j \omega}
{(5+\omega)^2+j \omega}
(
5
+
ω
)
2
+
jω
jω
💡 로그인하면 학습 진행률이 자동으로 저장되고, 북마크와 오답노트를 사용할 수 있습니다.
이전
다음