문제 1
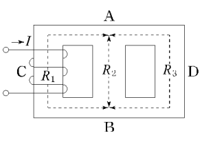
그림과 같은 자기회로에서
R_1=0.1[\mathrm{AT} / \mathrm{Wb}]
,
R_2=0.2[\mathrm{AT} / \mathrm{Wb}]
,
R_3=0.3[\mathrm{AT} / \mathrm{Wb}]
이고 코일은
10
회 감았다. 이때 코일에
\rm 10[A]
의 전류를 흘리면
\overline{\mathrm{ACB}}
간에 투과하는 자속
\phi
는 약 몇
\rm [Wb]
인가?
1.
0.25 \times 10^2
2.
4.55 \times 10^2
3.
6.50 \times 10^2
4.
8.45 \times 10^2
💡 로그인하면 학습 진행률이 자동으로 저장되고, 북마크와 오답노트를 사용할 수 있습니다.
이전
다음