2013년 전기산업기사 2회차 76번 - 기출문제 및 해설

문제 1

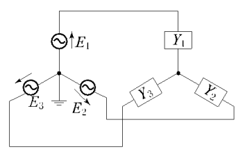
그림과 같은 불평형 Y\rm Y형 회로에 평형 33상 전압을 가할 경우 중성점의 전위 Vn[V]V_n[V\mathrm{V}]는? (단, Y1,Y2,Y3Y_1, Y_2, Y_3는 각 상의 어드미턴스[][\mho]이고, Z1,Z2,Z3Z_1, Z_2, Z_3는 각 어드미턴스에 대한 임피던스[Ω][\Omega]이다.)