2018년 토목기사 2회차 76번 - 기출문제 및 해설
문제 1
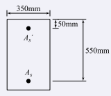
아래 그림과 같은 복철근 직사각형보에서 압축연단에서 중립축까지의 거리(c)는?(단,
A
s
=
4764
m
m
2
,
A
s
′
=
1284
m
m
2
,
f
c
k
=
38
M
P
a
,
f
y
=
400
M
P
a
A_s=4764mm^2, {A_s}'=1284mm^2, f_{ck}=38MPa, f_y=400MPa
A
s
=
4764
m
m
2
,
A
s
′
=
1284
m
m
2
,
f
c
k
=
38
MP
a
,
f
y
=
400
MP
a
)
1.
143.74mm
2.
153.91mm
3.
168.62mm
4.
178.41mm
💡 로그인하면 학습 진행률이 자동으로 저장되고, 북마크와 오답노트를 사용할 수 있습니다.
이전
다음