2018년 토목기사 2회차 6번 - 기출문제 및 해설
문제 1
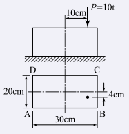
그림과 같은 직사각형 단면의 단주에 편심축하중 P가 작용할 때 모서리 A점의 응력은?
1.
3.4kg/cm²
2.
30kg/cm²
3.
38.6kg/cm²
4.
70kg/cm²
💡 로그인하면 학습 진행률이 자동으로 저장되고, 북마크와 오답노트를 사용할 수 있습니다.
이전
다음