2019년 전기산업기사 2회차 68번 - 기출문제 및 해설
문제 1
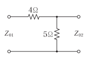
그림과 같은 회로의 영상 임피던스
Z
01
,
Z
02
[
Ω
]
Z_{01},\ Z_{02}\rm[\Omega]
Z
01
,
Z
02
[
Ω
]
는 각각 얼마인가?
1.
9
,
5
9,5
9
,
5
2.
6
,
10
3
6,
\dfrac{10}
3
6
,
3
10
3.
4
,
5
4,5
4
,
5
4.
4
,
20
9
4,
\dfrac{20}
9
4
,
9
20
💡 로그인하면 학습 진행률이 자동으로 저장되고, 북마크와 오답노트를 사용할 수 있습니다.
댓글
0/500
등록
이전
다음