2014년 토목기사 2회차 70번 - 기출문제 및 해설

문제 1

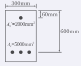
아래 그림과 같은 복철근 직사각형보에 대한 설명으로옳은 것은? (단, fck=21MPa,fy=300MPa,f_{ck}=21MPa, f_y=300MPa, 압축부 콘크리트의 최대변형률은 0.0033이고 인장철근의 응력은 fyf_y에 도달한다.)