2014년 토목기사 2회차 61번 - 기출문제 및 해설
문제 1
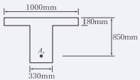
아래 그림과 같은 단철근 T형보의 공칭휨모멘트 강도 (
M
n
M_n
M
n
)은 얼마인가? (단,
f
c
k
=
24
M
P
a
,
f
y
=
400
M
P
a
f_{ck}=24MPa, f_y=400MPa
f
c
k
=
24
MP
a
,
f
y
=
400
MP
a
이고,
A
s
=
4500
m
m
2
A_s=4500mm^2
A
s
=
4500
m
m
2
)
1.
1123.13
k
N
⋅
m
1123.13 kN\cdot m
1123.13
k
N
⋅
m
2.
1289.15
k
N
⋅
m
1289.15 kN\cdot m
1289.15
k
N
⋅
m
3.
1449.18
k
N
⋅
m
1449.18 kN\cdot m
1449.18
k
N
⋅
m
4.
1590.32
k
N
⋅
m
1590.32 kN\cdot m
1590.32
k
N
⋅
m
💡 로그인하면 학습 진행률이 자동으로 저장되고, 북마크와 오답노트를 사용할 수 있습니다.
이전
다음