2024년 전기산업기사 2회차 66번 - 기출문제 및 해설
문제 1
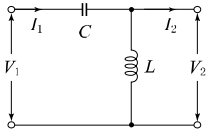
그림과 같은 L형 회로의 4단자 ABCD 정수 중 A는?
1.
1
+
1
ω
L
C
1+
\frac{1}
{\omega LC}
1
+
ω
L
C
1
2.
1
−
1
ω
2
L
C
1-
\frac{1}
{\omega ^2LC}
1
−
ω
2
L
C
1
3.
1
+
1
j
ω
L
1+
\frac{1}
{j\omega L}
1
+
jω
L
1
4.
1
2
L
C
\frac{1}
{2
L
C
\sqrt{LC}
L
C
}
2
L
C
1
💡 로그인하면 학습 진행률이 자동으로 저장되고, 북마크와 오답노트를 사용할 수 있습니다.
이전
다음