2024년 전기산업기사 2회차 61번 - 기출문제 및 해설
문제 1
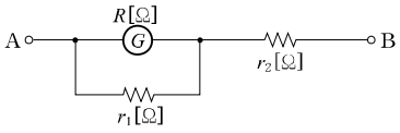
저항 R인 검류계 G에 그림과 같이
r
1
r_1
r
1
인 저항을 병렬로,
r
2
r_2
r
2
인 저항을 직렬로 접속하고, a, b 단자 사이의 저항을 R과 같게 하고, 또한 G에 흐르는 전류를 전전류의
1
n
\frac{1}
{n}
n
1
로 하기 위한 의
r
1
r_1
r
1
값은?
1.
R
(
1
−
1
n
)
R\left ( 1-
\frac{1}
{n} \right )
R
(
1
−
n
1
)
2.
n
−
1
R
\frac{n-1}
{R}
R
n
−
1
3.
R
n
−
1
\frac{R}
{n-1}
n
−
1
R
4.
R
(
1
+
1
n
)
R\left ( 1+
\frac{1}
{n} \right )
R
(
1
+
n
1
)
💡 로그인하면 학습 진행률이 자동으로 저장되고, 북마크와 오답노트를 사용할 수 있습니다.
이전
다음