2024년 전기산업기사 1회차 91번 - 기출문제 및 해설
문제 1
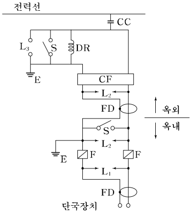
그림은 전력선 반송 통신용 결합장치의 보안장치이다. 옳지 않은 내용은?
1.
L
2
L_2
L
2
: 동작전압이 교류 1.3[kV]를 초과하고 1.6[kV] 이하로 조정된 방전갭
2.
F : 정격전류 10[A] 이하의 포장 퓨즈
3.
L
1
L_1
L
1
: 교류 300[V] 이하에서 동작하는 피뢰기
4.
DR : 전류용량 5[A] 이상의 배류 선륜
💡 로그인하면 학습 진행률이 자동으로 저장되고, 북마크와 오답노트를 사용할 수 있습니다.
이전
다음