2024년 전기산업기사 1회차 65번 - 기출문제 및 해설
문제 1
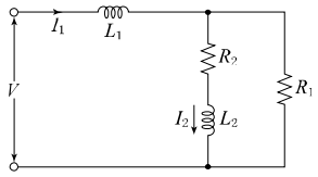
그림과 같은 회로에서
L
2
L_2
L
2
에 흐르는 전류
I
2
I_2
I
2
[A]가 단자전압
V
V
V
[V]보다 위상이 90° 뒤지기 위한 조건은? (단,
ω
\omega
ω
는 회로의 각주파수[rad/s]이다.)
1.
R
2
R
1
=
L
2
L
1
\frac{R_2}
{R_1}=
\frac{L_2}
{L_1}
R
1
R
2
=
L
1
L
2
2.
R
1
R
2
=
L
1
L
2
R_1R_2=L_1L_2
R
1
R
2
=
L
1
L
2
3.
R
1
R
2
=
ω
L
1
L
2
R_1R_2=\omega L_1L_2
R
1
R
2
=
ω
L
1
L
2
4.
R
1
R
2
=
ω
2
L
1
L
2
R_1R_2=\omega ^2 L_1L_2
R
1
R
2
=
ω
2
L
1
L
2
💡 로그인하면 학습 진행률이 자동으로 저장되고, 북마크와 오답노트를 사용할 수 있습니다.
이전
다음