문제 1
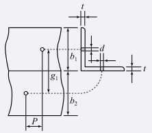
그림과 같은 L형강에서 인장응력 검토를 위한 순폭계산에 대한 설명으로 틀린 것은?
1.
전개된 총 폭
(b)=b_1+b_2-t
이다.
2.
리벳선간 거리
(g)=g_1-t
이다.
3.
\frac{p^2}{4g}\geq d
인 경우 순폭
(b_n)=b-d
이다.
4.
\frac{p^2}{4g}
인 경우 순폭
(b_n)=b-d-\frac{p^2}{4g}
이다.
💡 로그인하면 학습 진행률이 자동으로 저장되고, 북마크와 오답노트를 사용할 수 있습니다.
이전
다음