2016년 전기기능사 1회차 22번 - 기출문제 및 해설
문제 1
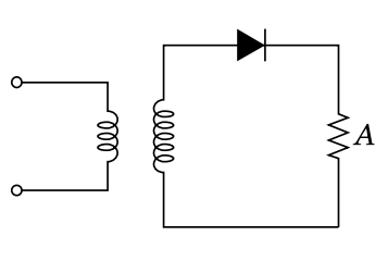
반파 정류회로에서 변압기
2
2
2
차 전압의 실효치를
E
[
V
]
E\rm[V]
E
[
V
]
라 하면 직류 전류 평균치는? (단, 정류기의 전압강하는 무시한다.)
1.
E
R
\frac{E}
{R}
R
E
2.
1
2
⋅
E
R
\frac{1}
{2} \cdot
\frac{E}
{R}
2
1
⋅
R
E
3.
2
2
π
⋅
E
R
\frac{2 \sqrt{2}
}{\pi} \cdot
\frac{E}
{R}
π
2
2
⋅
R
E
4.
2
π
⋅
E
R
\frac{\sqrt{2}
}{\pi} \cdot
\frac{E}
{R}
π
2
⋅
R
E
💡 로그인하면 학습 진행률이 자동으로 저장되고, 북마크와 오답노트를 사용할 수 있습니다.
이전
다음