2015년 전기기능사 1회차 17번 - 기출문제 및 해설
문제 1
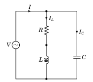
다음 그림의 병렬 공진 회로에서 공진 주파수
f
0
[
H
z
]
f_0\rm[Hz]
f
0
[
Hz
]
는?
1.
f
0
=
1
2
π
R
L
−
1
L
C
f_0=\dfrac1{2\pi}
\sqrt{\dfrac RL-\dfrac1{LC}
}
f
0
=
2
π
1
L
R
−
L
C
1
2.
f
0
=
1
2
π
L
2
R
2
−
1
L
C
f_0=\dfrac1{2\pi}
\sqrt{\dfrac{L^2}
{R^2}-\dfrac1{LC}}
f
0
=
2
π
1
R
2
L
2
−
L
C
1
3.
f
0
=
1
2
π
1
L
C
−
R
L
f_0=\dfrac1{2\pi}
\sqrt{\dfrac1{LC}
-\dfrac RL}
f
0
=
2
π
1
L
C
1
−
L
R
4.
f
0
=
1
2
π
1
L
C
−
R
2
L
2
f_0=\dfrac1{2\pi}
\sqrt{\dfrac1{LC}
-
\dfrac{R^2}
{L^2}}
f
0
=
2
π
1
L
C
1
−
L
2
R
2
💡 로그인하면 학습 진행률이 자동으로 저장되고, 북마크와 오답노트를 사용할 수 있습니다.
이전
다음