2015년 전기기능사 1회차 7번 - 기출문제 및 해설
문제 1
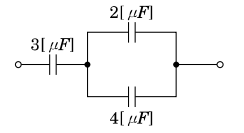
다음 회로의 합성 정전용량
[
μ
F
]
\rm[\mu F]
[
μ
F
]
은?
1.
5
5
5
2.
4
4
4
3.
3
3
3
4.
2
2
2
💡 로그인하면 학습 진행률이 자동으로 저장되고, 북마크와 오답노트를 사용할 수 있습니다.
이전
다음