2010년 전산응용기계제도기능사 5회차 39번 - 기출문제 및 해설
문제 1
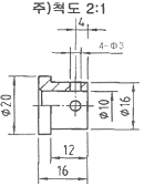
다음 그림에 대한 설명으로 옮은 것은?
1.
실제제품을 1/2로 줄여서 그린 도면이다.
2.
실제 제품을 2배로 확대해서 그린 도면이다.
3.
치수는 실제 크기를 1/2로 줄여서 기입한 것이다.
4.
치수는 실제 크기를 2배로 늘려서 기입한 것이다.
💡 로그인하면 학습 진행률이 자동으로 저장되고, 북마크와 오답노트를 사용할 수 있습니다.
이전
다음