2012년 전산응용기계제도기능사 4회차 28번 - 기출문제 및 해설
문제 1
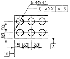
그림의 “C" 부분에 들어갈 기하 공차 기호로 가장 알맞은 것은?
1.
2.
3.
4.
💡 로그인하면 학습 진행률이 자동으로 저장되고, 북마크와 오답노트를 사용할 수 있습니다.
이전
다음