2012년 전산응용기계제도기능사 2회차 44번 - 기출문제 및 해설
문제 1
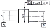
다음 그림에서 기하공차 기호 의 설명으로 옳은 것은?
1.
데이텀 A-B를 기준으로 흔들림 공차가 지름
0.08
m
m
0.08
m
m
\mathrm{mm}
mm
0.08
mm
의 원통 안에 있어야 한다.
2.
데이텀 A-B를 기준으로 동심도 공차가 지름
0.08
m
m
0.08
m
m
\mathrm{mm}
mm
0.08
mm
의 두 평면 안에 있어야 한다.
3.
데이텀 A-B를 기준으로 동심도 공차가 지름
0.08
m
m
0.08
m
m
\mathrm{mm}
mm
0.08
mm
의 원통 안에 있어야 한다.
4.
데이텀 A-B를 기준으로 원통도 공차가 지름
0.08
m
m
0.08
m
m
\mathrm{mm}
mm
0.08
mm
의 두 평면 안에 있어야 한다.
💡 로그인하면 학습 진행률이 자동으로 저장되고, 북마크와 오답노트를 사용할 수 있습니다.
이전
다음