2018년 토목기사 1회차 15번 - 기출문제 및 해설
문제 1
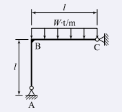
그림과 같은 뼈대 구조물에서 C점의 수직반력(
↑
\uparrow
↑
)을 구한 값은? (단, 탄성계수 및 단면은 전부재가 동일)
1.
9
w
l
16
\frac{9wl}
{16}
16
9
wl
2.
7
w
l
16
\frac{7wl}
{16}
16
7
wl
3.
w
l
8
\frac{wl}
{8}
8
wl
4.
w
l
16
\frac{wl}
{16}
16
wl
💡 로그인하면 학습 진행률이 자동으로 저장되고, 북마크와 오답노트를 사용할 수 있습니다.
이전
다음