2016년 토목기사 1회차 17번 - 기출문제 및 해설
문제 1
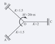
절점 O는 이동하지 않으며, 재단 A, B, C가 고정일 때
M
c
o
M_{co}
M
co
의 크기는 얼마인가? (단,
K
K
K
는 강비이다.)
1.
2.5
t
⋅
m
2.5t\cdot m
2.5
t
⋅
m
2.
3
t
⋅
m
3t\cdot m
3
t
⋅
m
3.
3.5
t
⋅
m
3.5t\cdot m
3.5
t
⋅
m
4.
4
t
⋅
m
4t\cdot m
4
t
⋅
m
💡 로그인하면 학습 진행률이 자동으로 저장되고, 북마크와 오답노트를 사용할 수 있습니다.
이전
다음