2022년 토목기사 1회차 17번 - 기출문제 및 해설
문제 1
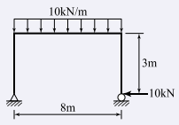
그림과 같은 구조에서 절댓값이 최대로 되는 휨모멘트의 값은?
1.
80kN · m
2.
50kN · m
3.
40kN · m
4.
30kN · m
💡 로그인하면 학습 진행률이 자동으로 저장되고, 북마크와 오답노트를 사용할 수 있습니다.
이전
다음