2017년 토목기사 4회차 94번 - 기출문제 및 해설
문제 1
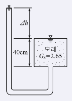
분사현상에 대한 안전율이 2.5 이상이 되기 위해서는
Δ
h
\Delta h
Δ
h
를 최대 얼마 이하로 하여야 하는가? (단, 간극률 (
n
n
n
)=50%)
1.
7.5cm
2.
8.9cm
3.
13.2cm
4.
16.5cm
💡 로그인하면 학습 진행률이 자동으로 저장되고, 북마크와 오답노트를 사용할 수 있습니다.
이전
다음