2017년 토목기사 4회차 77번 - 기출문제 및 해설
문제 1
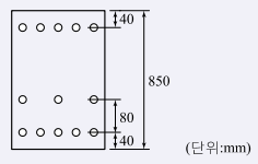
그림과 같은 복철근 보의 유효깊이(
d
d
d
)는? (단, 철근 1개의 단면적은 250mm²이다.)
1.
730mm
2.
740mm
3.
760mm
4.
780mm
💡 로그인하면 학습 진행률이 자동으로 저장되고, 북마크와 오답노트를 사용할 수 있습니다.
이전
다음