2017년 토목기사 4회차 62번 - 기출문제 및 해설
문제 1
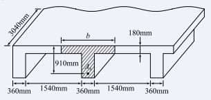
유효깊이(
d
d
d
)가 910mm인 아래 그림과 같은 단철근 T형보의 설계휨강도(
ϕ
M
n
\phi M_n
ϕ
M
n
)를 구하면?(단, 인장철근량(
A
s
A_s
A
s
)은 7652mm²,
f
c
k
=
21
M
P
a
,
f
y
=
350
M
P
a
f_{ck}=21MPa, f_y=350MPa
f
c
k
=
21
MP
a
,
f
y
=
350
MP
a
, 인장지배단면으로
ϕ
=
0.85
\phi =0.85
ϕ
=
0.85
, 경간은 3040mm이다.)
1.
1803kN·m
2.
1845kN·m
3.
1883kN·m
4.
1981kN·m
💡 로그인하면 학습 진행률이 자동으로 저장되고, 북마크와 오답노트를 사용할 수 있습니다.
이전
다음