2017년 토목기사 4회차 15번 - 기출문제 및 해설
문제 1
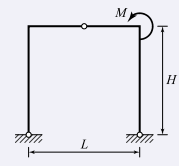
아래와 같은 라멘에서 휨모멘트도(B.M.D)를 옳게 나타낸 것은?
1.
2.
3.
4.
💡 로그인하면 학습 진행률이 자동으로 저장되고, 북마크와 오답노트를 사용할 수 있습니다.
이전
다음